Sterownia wiatraka Serwy 3m

Sterowanie elektrownią, elektronika, schematy, podłączenie do sieci, itd...

Sterownia wiatraka Serwy 3m

Postprzez leszek » 11.08.2008, 20:01

Wiatrak Serwy 3m wykonany przez Jana Markiewicza
Obrazek

Obrazek

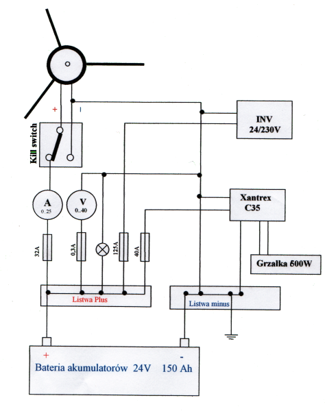
rozdzielnia.png
Schemat rozdzielni

rozdzielnia.jpg
Rozdzielnia
Avatar użytkownika
leszek
Administrator
 
Posty: 33
Dołączył(a): 22.12.2007, 16:57
Lokalizacja: Białystok

Re: Sterownia wiatraka Serwy 3m

Postprzez maciusiek610 » 11.08.2008, 20:22

hej
a mógłbyś opisać co oznaczają INV 24/230, XANTREX C35 oraz zasadę działania ??
czy jest ona podobna do tej w moim poście ??

pozdrawiam
maciusiek610
 
Posty: 6
Dołączył(a): 10.08.2008, 10:12

Re: Sterownia wiatraka Serwy 3m

Postprzez l.j » 11.08.2008, 20:34

Gratuluję. Swietna robota! Zastanawia mnie funkcja tego włącznika KILL SWITCH... czy ma za zadanie zewrzeć wyjście pradnicy i zatrzymać wiatrak? A jeśli tak to czy pradnica wytrzyma takie zwarcie?

do maciusiek610:
INV 24/230 - to inwerter (przetwornica napięcia) z 24VDC na 230VAC,
Xantrex C35 - to regulator ładowania,
Schemat sterowni jest podobny do zamieszczonego przez Ciebie w poprzednim temacie. Przetwornica działa tak samo (różni się tylko napięcie wejściowe - zamiast 12V mamy 24V), a co do regulatora ładowania, to niech się wypowie kolega LeszekM :)

Widzę ponadto, że przełączanie zasilania Zakład Energetyczny / WIATR odbywa się poprzez podobny przełącznik co KILL SWITCH. Wiadomo - bardzo pewne rozwiązanie, ale trochę uciążliwe, bo trzeba to robić ręcznie. Czy jest w planach automatyzacja tej czynności i czy akumulatory są zabezpieczone przed rozładowaniem (oprócz zabezpieczenia wbudowanego w przetwornicę) :?:
Pomyślnych wiatrów i słonecznych dni...
Avatar użytkownika
l.j
Administrator
 
Posty: 162
Dołączył(a): 16.07.2008, 17:14

Re: Sterownia wiatraka Serwy 3m

Postprzez leszek » 11.08.2008, 22:01

Właśnie tak, KILL SWITCH zatrzymuje wiatrak. Czy prądnica wytrzyma zwarcie? Powinna - przy dużych wiatrach wiatrak się składa, a przy mniejszych nie ma wiele pracy. Przewidujemy korzystanie z KILL SWITCHa tylko podczas czynności serwisowych.

Wybraliśmy Xantrex (istnieją też modele dla większych prądów: C40 i C60). Może on służyć jako regulator ładowania - nadmiar prądu zrzucany jest na grzałki - lub jako regulator obciążenia - wtedy pilnuje by akumulatory za bardzo się nie rozładowały. Nie może on jednak wykonywać tych dwóch funkcji jednocześnie. Dlatego u nas przed rozładowaniem akumulatorów chroni przetwornica.

Jeśli chodzi o przełącznik ZE/Wiatr to różni się on od KILL SWITCHa tym, że ma 3 pozycje: ZE, neutralny, Wiatr. Automatyzacji na razie nie przewidujemy.
Avatar użytkownika
leszek
Administrator
 
Posty: 33
Dołączył(a): 22.12.2007, 16:57
Lokalizacja: Białystok

Re: Sterownia wiatraka Serwy 3m

Postprzez Silvestr » 12.08.2008, 18:03

Gdzie można kupić taki regulator i w jakich kosztach to się mieści? Trochę szukałem, ale z kiepskim efektem - trafiłem jedynie w Stanach na ebay-u.
Silvestr
 
Posty: 4
Dołączył(a): 23.07.2008, 16:23

Re: Sterownia wiatraka Serwy 3m

Postprzez l.j » 12.08.2008, 20:47

Spróbuj zapytać tutaj, może mają na stanie ;) A jeśli mają, to ciekawe za ile... Na stronie producenta kontroler ładowania Xantrex C35 kosztuje 119$.
Pomyślnych wiatrów i słonecznych dni...
Avatar użytkownika
l.j
Administrator
 
Posty: 162
Dołączył(a): 16.07.2008, 17:14

Re: Sterownia wiatraka Serwy 3m

Postprzez Silvestr » 12.08.2008, 22:02

Dzięki wielkie, tam nie dotarłem... :)
Silvestr
 
Posty: 4
Dołączył(a): 23.07.2008, 16:23

Re: Sterownia wiatraka Serwy 3m

Postprzez Waldemar Pachoł » 27.01.2009, 23:52

Linkowany wyżej regulator ma regulację poprzez modulację PWM - czyli do wiatraka się nie nadaje.
W momencie jak na zaciskach akumulatora rośnie napięcie, PWM zmniejsza wypełnienia i tym samym zmniejsza obciążenie dla prądnicy. Prądnica przy mniejszym obciążeniu wkręca sie na coraz wyższe obroty zmuszając PWM do dalszego zmniejszania wypełnienia. Stąd już tylko chwila do katastrofy, bo prądnica bez obciążenia pracować nie powinna.
...bo czasami wystarczy rozebrać i dobrze przedmuchać.
Jestem b. rzadko przed monitorem, choć staram się jak mogę - brak czasu. Jeśli szukasz kontaktu bezpośredniego to monitorowany jest tylko mail firmowy.
Avatar użytkownika
Waldemar Pachoł
 
Posty: 1226
Dołączył(a): 17.08.2008, 20:49
Lokalizacja: Ostrołęka

Re: Sterownia wiatraka Serwy 3m

Postprzez leszek » 30.01.2009, 21:24

Tak ustosunkowuje się do tego instrukcja Xantrex C-35:

Kontroler z serii C może pracować jako kontroler przekierowujący (diversion controller), zwany także stabilizatorem bocznikującym (shunt regulator), by zarządzać ładowaniem akumulatora alternatywnymi źródłami energii takimi jak ogniwa fotogalwaniczne, generatory wiatrowe i wodne. Kontroler przekierowujący monitoruje napięcie akumulatora i kiedy napięcie to przekroczy ustawienie dla poziomu naładowania (czy to bulk czy float), prąd przekierowywany jest ze źródła (generator wiatrowy) do obciążenia rezerwowego (grzałka), które odprowadzi nadmiar energii w formie ciepła. Pozwala to ładującemu źródle (prądnicy) pozostać pod ciągłym obciążeniem by zapobiec wystąpieniu nadmiernych obrotów, które mogłyby się pojawić kiedy ładujące źródło zostałoby nagle odłączone od akumulatora.

Etapy ładowania:

Faza napięcia maksymalnego/naładowania (bulk)

Podczas tej fazy, akumulator ładowany jest do ustalonego napięcia (ustawienie bulk) maksymalnym prądem ładującym. Kiedy napięcie akumulatora osiągnie ustalone napięcie naładowania, kontroler uruchamia następną fazę.

Faza absorpcji

Podczas tej fazy napięcie akumulatora utrzymywane jest na poziomie ustalonej
wartości naładowania (bulk) przez okres 1 godziny. Prąd ładowania stopniowo zmniejsza się
w miarę osiągania pełnej pojemności akumulatora.

Faza napięcia float

Podczas tej fazy napięcie akumulatora utrzymywane jest na poziomie ustawienia float
(niższe niż bulk). Cały prąd ze źródła będzie przekazywany obciążeniom podłączonym
do akumulatora. Kiedy napięcie akumulatora spadnie poniżej ustawienia float na
okres w sumie 1 godziny, uruchomiony zostanie kolejny cykl bulk.

Obrazek
Battery_Charging_Process-small.png
Proces ładowania akumulatora
Avatar użytkownika
leszek
Administrator
 
Posty: 33
Dołączył(a): 22.12.2007, 16:57
Lokalizacja: Białystok

Re: Sterownia wiatraka Serwy 3m

Postprzez Waldemar Pachoł » 03.02.2009, 14:26

The C-Series controller can operate as a Diversion Controller,
also called a shunt regulator, to manage battery charging from
alternative energy sources such as PV, wind or hydroelectric
generators. A diversion controller monitors battery voltage
and, when the voltage exceeds the settings for your charge
stage (whether bulk or float), the power is diverted from the
source (solar, wind, or hydro generator) to a ?dump? load
which will dissipate the excess power into heat.

Consult your dealer for recommendations on diversion load
type and regulator size.

Dokładnie, jednak podczas tego procesu nie może działać PWM - gdyż wzajemnie wyklucza to zasadza działania tych trybów pracy.
...bo czasami wystarczy rozebrać i dobrze przedmuchać.
Jestem b. rzadko przed monitorem, choć staram się jak mogę - brak czasu. Jeśli szukasz kontaktu bezpośredniego to monitorowany jest tylko mail firmowy.
Avatar użytkownika
Waldemar Pachoł
 
Posty: 1226
Dołączył(a): 17.08.2008, 20:49
Lokalizacja: Ostrołęka

Re: Sterownia wiatraka Serwy 3m

Postprzez woj2005 » 19.06.2009, 13:23

Witam zastanawiam sie nad podlaczeniem do mojego wiatraka bojlera do grzania wody , doradzcie mi jaka mam zastosowac grzałke pradnica jest na 12v o mocy ok 400w i jeszcze do tego mam panele fotowoltaiczne o lacznej mocy 60w .
woj2005
 
Posty: 14
Dołączył(a): 15.12.2008, 20:12
Lokalizacja: Pruszcz Gdański

Re: Sterownia wiatraka Serwy 3m

Postprzez l.j » 19.06.2009, 21:22

Grzanie wody prądnicą 400W i 12V to porywanie się z motyką na Słońce. Zakładam, że te 400W, to moc maksymalna bądź zbliżona do maksymalnej, więc przy normalnych wiatrach będzie pewnie max 150-200W, a to bardzo mało jeżeli chodzi o grzanie wody. Nadchodzi lato i do tego celu lepiej wykorzystać energię słoneczną viewtopic.php?f=22&t=35 a energię z elektrowni wiatrowej przeznaczyć chociażby na oświetlenie ogrodu ;) Pozdrawiam
Pomyślnych wiatrów i słonecznych dni...
Avatar użytkownika
l.j
Administrator
 
Posty: 162
Dołączył(a): 16.07.2008, 17:14

Re: Sterownia wiatraka Serwy 3m

Postprzez bobik314 » 20.06.2009, 16:59

Ciekawa ta puszka ten Xantrex.

Mój sterownik (sam piszę, testuję i ulepszam oprogramowanie) działa tak: 40x na sekundę sprawdza napięcie na cewkach. Gdy napięcie wejdzie w pewien (ustawiany przez użytkownika na wyświetlaczy) przedział, np. 44-48V, to zostanie włączona grzałka PWM o wypełnieniu zależnym od największego napięcia na cewkach. Do tego oczywiście zabezpieczenie aby nie ustawiło PWM na 100% przez błąd pomiaru.

Jeżeli ktoś jest zainteresowany mogę zamieścić wykresy działania tego algorytmu (nie symulacje), jak również zdjęcia sprzętu.
bobik314
 
Posty: 13
Dołączył(a): 15.02.2009, 13:22


Powrót do Sterownia

Kto przegląda forum

Użytkownicy przeglądający ten dział: Brak zidentyfikowanych użytkowników i 3 gości

cron