Kolektor słoneczny domowej roboty, za około 1000zł.

Kolektory słoneczne, ogniwa fotowoltaiczne, itd...

Re: Kolektor słoneczny domowej roboty, za około 1000zł.

Postprzez 3xman » 13.07.2013, 19:06

Też mam taką tabelkę. I dokładnie 5KWh dzisiaj mi nabiło. Z tym że od momentu uruchomienia mojego kolektora mam na liczniku 51KWh. Teraz przynajmniej człowiek będzie wiedział ile ukradł słońcu tzn. ile zaoszczędził.
3xman
 
Posty: 44
Dołączył(a): 24.04.2013, 7:53
Lokalizacja: Ełk

Re: Kolektor słoneczny domowej roboty, za około 1000zł.

Postprzez Waldemar Pachoł » 13.07.2013, 19:14

U mnie 5kWh od 13-tej z minutami. :D

edyta: I to jest najpiękniejsze - gdyby grzał prądem to już 30 pln mniej byłoby w portfelu. :)
...bo czasami wystarczy rozebrać i dobrze przedmuchać.
Jestem b. rzadko przed monitorem, choć staram się jak mogę - brak czasu. Jeśli szukasz kontaktu bezpośredniego to monitorowany jest tylko mail firmowy.
Avatar użytkownika
Waldemar Pachoł
 
Posty: 1226
Dołączył(a): 17.08.2008, 20:49
Lokalizacja: Ostrołęka

Re: Kolektor słoneczny domowej roboty, za około 1000zł.

Postprzez SiEm » 14.07.2013, 10:33

Ultradźwiękowy licznik energii cieplnej Multical 401 cena 2 327,46zł netto+vat
http://www.instalcontrol.pl/?page=produ ... 68&pid=167
SiEm
 
Posty: 244
Dołączył(a): 17.03.2013, 20:59

Re: Kolektor słoneczny domowej roboty, za około 1000zł.

Postprzez 3xman » 15.07.2013, 12:52

SiEm, do czego zmierzasz?
3xman
 
Posty: 44
Dołączył(a): 24.04.2013, 7:53
Lokalizacja: Ełk

Re: Kolektor słoneczny domowej roboty, za około 1000zł.

Postprzez konik81 » 18.07.2013, 20:58

witam wszystkich mam pytanie jak połączyć dwa kaloryfery chodzi mi konkretnie o to że oryginalnie w kaloryferze wejście i wyjście jest w tym samym położeniu z tego co częściowo zauważyłem niektórzy je przerabiają że wejście i wyjście są po przeciwnej stronie. pozdrawiam
wycofuje pytanie zrozumiałem swój błąd chciałem pójść trochę na łatwiznę
konik81
 
Posty: 13
Dołączył(a): 18.07.2013, 20:49

Re: Kolektor słoneczny domowej roboty, za około 1000zł.

Postprzez SiEm » 18.07.2013, 22:02

Podałem tylko cenę.
SiEm
 
Posty: 244
Dołączył(a): 17.03.2013, 20:59

Re: Kolektor słoneczny domowej roboty, za około 1000zł.

Postprzez konik81 » 18.07.2013, 22:24

zaczynając od początku i pomijając swoją poprzednią niefortunną wypowiedz chciałbym skorzystać z kolegów pomocy a więc po przeczytaniu paru artykułów i przeszperaniu złomu skonstruowałem coś takiego;
FILE1403.JPG
FILE1404.JPG
FILE1400.JPG

posiadam wodę miejską zbiornik jest bez wężownicy zwykły ciśnieniowy woda nagrzewa się bez problemu do jakiś 30-40 stopni. problem w tym że niestety nie mogę wykorzystać w pełni słońca (teren za bardzo zalesiony) dlatego muszę kolektor wstawić na dach ( oczywiście po przeróbce na dwa i w lepszej obudowie) ale nie chcę na razie inwestować w nowy zbiornik. oczywiście daję sobie z tego sprawę że będę potrzebował sterownika pompy itd. ale czy waszym zdaniem takie podłączenie ma sens czyli bezpośrednie ciśnieniowe. zaznaczam że podczas '' kąpieli'' zimna woda nie przepływa bezpośrednio przez kolektor i nie ostudza go
konik81
 
Posty: 13
Dołączył(a): 18.07.2013, 20:49

Re: Kolektor słoneczny domowej roboty, za około 1000zł.

Postprzez Waldemar Pachoł » 19.07.2013, 16:30

Witaj!

Posiadanie w zbiorniku wężownicy to możliwość korzystania z systemu wtedy gdy temperatura spada poniżej 0stC.
Każda zmiana mająca na celu poprawienie efektywności jest na miejscu w przypadku tego typu konstrukcji. Bardzo chętnie obejrzymy fotoreportaż z Twoich prac.
...bo czasami wystarczy rozebrać i dobrze przedmuchać.
Jestem b. rzadko przed monitorem, choć staram się jak mogę - brak czasu. Jeśli szukasz kontaktu bezpośredniego to monitorowany jest tylko mail firmowy.
Avatar użytkownika
Waldemar Pachoł
 
Posty: 1226
Dołączył(a): 17.08.2008, 20:49
Lokalizacja: Ostrołęka

Re: Kolektor słoneczny domowej roboty, za około 1000zł.

Postprzez SiEm » 19.07.2013, 20:06

Myślę o zbiorniku buforowym 500 l do mego wiatraka i wykorzystanie w przyszłości kolektorów solarnych. Zastanawiam się czy kolektory wykonać samemu czy kupić gotowe panele?
SiEm
 
Posty: 244
Dołączył(a): 17.03.2013, 20:59

Re: Kolektor słoneczny domowej roboty, za około 1000zł.

Postprzez Waldemar Pachoł » 19.07.2013, 20:40

To zależy od portfela - jeśli nie chce Ci się robić samoróbek. :)
A bufor 500l pod wiatrak to szybko licząc trzeba będzie około 20kW mocy zamontowanej, by średniorocznie pakować weń 4kW.
Do grzania wody najlepsze jest słońce, wiatr raczej średnio grzeje wodę... :)
...bo czasami wystarczy rozebrać i dobrze przedmuchać.
Jestem b. rzadko przed monitorem, choć staram się jak mogę - brak czasu. Jeśli szukasz kontaktu bezpośredniego to monitorowany jest tylko mail firmowy.
Avatar użytkownika
Waldemar Pachoł
 
Posty: 1226
Dołączył(a): 17.08.2008, 20:49
Lokalizacja: Ostrołęka

Re: Kolektor słoneczny domowej roboty, za około 1000zł.

Postprzez SiEm » 19.07.2013, 21:11

Bufor do ewentualnego magazynowania nadwyżki energii elektrycznej. A kolektory słoneczne jako główne żródło zasilania. Mam rurę z nierdzewki kwasoodpornej o średnicy 80 cm i wysokości 1,8 m pojemność 900 l wystarczy dorobić dekle i weżownice i ocieplić i jest trwały bufor.
SiEm
 
Posty: 244
Dołączył(a): 17.03.2013, 20:59

Re: Kolektor słoneczny domowej roboty, za około 1000zł.

Postprzez konik81 » 19.07.2013, 21:52

Obiecuje że zaraz po urlopie prześle wyniki swojego wykonania. Na razie poświęcę się przeszukiwaniu internetu i przemyśleniom. P.S. Panie Waldku jako laikowi bardzo pomogła strona '' mała przydomowa elektrownia wiatrowa" i jako z samej prądnicy jestem bardzo zadowolony zostają tylko łopaty które nie sprostają zadaniu
konik81
 
Posty: 13
Dołączył(a): 18.07.2013, 20:49

Re: Kolektor słoneczny domowej roboty, za około 1000zł.

Postprzez Waldemar Pachoł » 19.07.2013, 22:15

Wiele osób na tym forum służy pomocą popartą praktyką - proszę pytać.
I wielka prośba ( bo będę banował ;) ) - na forum używamy formy per Ty. Mi to też przyszło z trudnością. ;) A jak spotkamy się na kawie w O-ce to wtedy formalnie na Ty przejdziemy. Tak więc bez oporów. I czekamy na pytania. :D
A w kwestii łopat proszę założyć nowy temat... ...bo nawiązałem kontakt z firmą co wycina CNC prosto z blendera.
...bo czasami wystarczy rozebrać i dobrze przedmuchać.
Jestem b. rzadko przed monitorem, choć staram się jak mogę - brak czasu. Jeśli szukasz kontaktu bezpośredniego to monitorowany jest tylko mail firmowy.
Avatar użytkownika
Waldemar Pachoł
 
Posty: 1226
Dołączył(a): 17.08.2008, 20:49
Lokalizacja: Ostrołęka

Re: Kolektor słoneczny domowej roboty, za około 1000zł.

Postprzez konik81 » 22.07.2013, 21:49

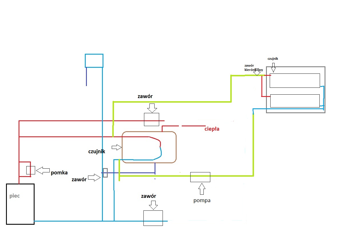
Koledzy czy takie podłączenie ma prawo zadziałać miałem zamiar podłączyć na samą wodę użytkową bezpośrednia wymiana wody ale teraz zaczynam się zastanawiać nad takim rozwiązaniem później wystarczy wymienić zasobnik na bardziej efektywny a podłączenie między kolektorem a zasobnikiem by zostało. Chodzi mi też o rozmieszczenie zaworów pompy i może o czymś zapomniałem (oprócz sterownika)
Załączniki
podłączenie.jpg
tak chciał bym podłączyć
taki układ.jpg
Takie mam podłączenie
konik81
 
Posty: 13
Dołączył(a): 18.07.2013, 20:49

Re: Kolektor słoneczny domowej roboty, za około 1000zł.

Postprzez SiEm » 23.07.2013, 23:01

Waldemar Pachoł napisał(a):To zależy od portfela - jeśli nie chce Ci się robić samoróbek. :)
A bufor 500l pod wiatrak to szybko licząc trzeba będzie około 20kW mocy zamontowanej, by średniorocznie pakować weń 4kW.
Do grzania wody najlepsze jest słońce, wiatr raczej średnio grzeje wodę... :)

Panele fabryczne mają większą wydajność ciepłą z metra kwadratowego powierzchni. Na buforze oraz instalacji samorubce można najwięcej zaoszczędzić w instalacji solarnej.
SiEm
 
Posty: 244
Dołączył(a): 17.03.2013, 20:59

Re: Kolektor słoneczny domowej roboty, za około 1000zł.

Postprzez Waldemar Pachoł » 24.07.2013, 11:41

konik81: Rozwiązanie "tak chciał bym podłączyć" jest jak najbardziej poprawne. Też tak kiedyś miałem - nawet jest fotka w pierwszym wpisie tego wątku.
W takim rozwiązaniu potrzebne są dodatkowo 4 zawory kulowe, którymi będzie można albo odciąć piec gdy używa się słońca do grzania wody albo odciąć panel gdy pali się w piecu. Zawory montujesz tuż przy bojlerze.
Można również użyć dwóch elektrozaworów trójdrogowych - ale to spore koszta - no chyba, że ktoś jest tak leniwy jak ja. Wtedy zaworami steruje "temperatura na piecu".

SiEm: No pewnie tak. Szkoda tylko, że nikt jak na razie nie przedstawił tabeli na przykład w oparciu o pomiar Multicalem - jaka to wartość.
...bo czasami wystarczy rozebrać i dobrze przedmuchać.
Jestem b. rzadko przed monitorem, choć staram się jak mogę - brak czasu. Jeśli szukasz kontaktu bezpośredniego to monitorowany jest tylko mail firmowy.
Avatar użytkownika
Waldemar Pachoł
 
Posty: 1226
Dołączył(a): 17.08.2008, 20:49
Lokalizacja: Ostrołęka

Re: Kolektor słoneczny domowej roboty, za około 1000zł.

Postprzez konik81 » 05.08.2013, 22:32

Mam pytanko koledzy gdzie umieścić czujnik żeby jak najmniej oszukiwał
Załączniki
FILE1440.jpg
konik81
 
Posty: 13
Dołączył(a): 18.07.2013, 20:49

Re: Kolektor słoneczny domowej roboty, za około 1000zł.

Postprzez Waldemar Pachoł » 06.08.2013, 9:11

Najlepiej na żółtym. Są takie fajne kleje wytrzymujące do 300 stC do klejenia metalu, niestety nie pamiętam nazwy.
...bo czasami wystarczy rozebrać i dobrze przedmuchać.
Jestem b. rzadko przed monitorem, choć staram się jak mogę - brak czasu. Jeśli szukasz kontaktu bezpośredniego to monitorowany jest tylko mail firmowy.
Avatar użytkownika
Waldemar Pachoł
 
Posty: 1226
Dołączył(a): 17.08.2008, 20:49
Lokalizacja: Ostrołęka

Re: Kolektor słoneczny domowej roboty, za około 1000zł.

Postprzez konik81 » 06.08.2013, 19:01

Rozumiem i też tak myślałem ale chciałem czujnik dać od strony ocieplenia i czy wtedy nie będzie dawał błędnych wskazań. Bo jeśli dał bym go zaraz przy wylocie to mogę go częściowo odizolować termicznie
konik81
 
Posty: 13
Dołączył(a): 18.07.2013, 20:49

Re: Kolektor słoneczny domowej roboty, za około 1000zł.

Postprzez Waldemar Pachoł » 06.08.2013, 22:15

Dokładnie, od strony ocieplenia. Różnice są w pełni akceptowalne i pomijalnie małe.
...bo czasami wystarczy rozebrać i dobrze przedmuchać.
Jestem b. rzadko przed monitorem, choć staram się jak mogę - brak czasu. Jeśli szukasz kontaktu bezpośredniego to monitorowany jest tylko mail firmowy.
Avatar użytkownika
Waldemar Pachoł
 
Posty: 1226
Dołączył(a): 17.08.2008, 20:49
Lokalizacja: Ostrołęka

Poprzednia stronaNastępna strona

Powrót do Energia słońca

Kto przegląda forum

Użytkownicy przeglądający ten dział: Brak zidentyfikowanych użytkowników i 2 gości